Product Summary
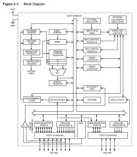
The ATTINY44A-SSU is a low-power CMOS 8-bit microcontroller. It is based on the AVR enhanced RISC architecture. By executing powerful instructions in a single clock cycle, the ATTINY44A-SSU achieves throughputs approaching 1 MIPS per MHz allowing the system designer to optimize power consumption versus processing speed.
Parametrics
ATTINY44A-SSU absolute maximum ratings: (1)Operating Temperature: -55℃ to +125℃; (2)Storage Temperature: -65℃ to +150℃; (3)Voltage on any Pin except RESET with respect to Ground: -0.5V to VCC+0.5V; (4)Voltage on RESET with respect to Ground: -0.5V to +13.0V; (5)Maximum Operating Voltage: 6.0V; (6)DC Current per I/O Pin: 40.0 mA; (7)DC Current VCC and GND Pins: 200.0 mA.
Features
ATTINY44A-SSU features: (1)High Performance, Low Power AVR 8-Bit Microcontroller; (2)Advanced RISC Architecture: 120 Powerful Instructions-Most Single Clock Cycle Execution, 32 x 8 General Purpose Working Registers, Fully Static Operation; (3)High Endurance, Non-Volatile Memory Segments: 2K/4K Bytes of In-System, Self-Programmable Flash Program Memory; 128/256 Bytes of In-System Programmable EEPROM; 128/256 Bytes of Internal SRAM; Data retention: 20 years at 85℃ / 100 years at 25℃; Programming Lock for Self-Programming Flash & EEPROM Data Security.
Diagrams

| Image | Part No | Mfg | Description | ![]() |
Pricing (USD) |
Quantity | ||||||||||||
|---|---|---|---|---|---|---|---|---|---|---|---|---|---|---|---|---|---|---|
![]() |
![]() ATTINY44A-SSU |
![]() Atmel |
![]() 8-bit Microcontrollers (MCU) 1.8V, 20MHz Industrial Temp |
![]() Data Sheet |
![]()
|
|
||||||||||||
![]() ATTINY44A-SSUR |
![]() Atmel |
![]() 8-bit Microcontrollers (MCU) 4KB FLSH 256B EE256B SRAM-20MHz, IND, |
![]() Data Sheet |
![]()
|
|
|||||||||||||
(Hong Kong)









