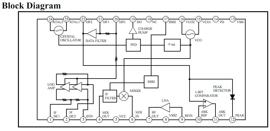
Product Summary
The RX3400-LF is a low power ASK receiver IC which is fully compatible with the Mitel KESRX01 IC and is suitable for use in a variety of low power radio applications including remote keyless entry. The RX3400-LF is based on a single-conversion, super-heterodyne receiver architecture and incorporates an entire phase-locked loop (PLL) for precise local oscillator generation. In addition, the RX3400-LF provides an RSSI output. The applications of the device include Wireless mouse, Video sender remote controller and Car alarm and home security systems.
Parametrics
RX3400-LF absolute maximum ratings: (1)Supply voltage, VCC: VSS – 0.5 to VSS + 8.0 V; (2)Operating temperature range, TOPR: –40 to 85 ℃; (3)Storage temperature range, TSTG: –55 to 150 ℃; (4)Soldering temperature range, TSLD: 255 ℃; (5)Soldering time range, tSLD: 10 s.
Features
RX3400-LF features: (1)Extremely low power operation; (2)Low external part count; (3)Receiver input frequency: 290 – 460 MHz; (4)On-chip VCO with integrated PLL using crystal oscillator reference; (5)PLL power down feature; (6)Integrated IF and data filters; (7)RSSI output; (8)SSOP-24 package (0.64 mm pitch).
Diagrams

![]() |
![]() RX3408 |
![]() Other |
![]() |
![]() Data Sheet |
![]() Negotiable |
|
||||
![]() |
![]() RX3400 |
![]() Other |
![]() |
![]() Data Sheet |
![]() Negotiable |
|
||||
(Hong Kong)








