Product Summary
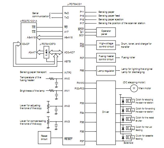
The UPD784031GC-3B9 is a 16/8-bit single-chip microcontroller. It is a product of the uPD784038 sub-series in the 78K/IV series. The UPD784031GC-3B9 contains various peripheral hardware such as RAM, I/O ports, 8-bit resolution A/D and D/A converters, timers, serial interface, and interrupt functions, as well as a high-speed, high-performance CPU. The applications of the UPD784031GC-3B9 are LBP, automatic-focusing camera, PPC, printer, electronic typewriter, air conditioner, electronic musical instruments, cellular telephone, etc.
Parametrics
UPD784031GC-3B9 absolute maximum ratings: (1)Supply voltage:VDD:-0.5 to +7.0V, AVDD:AVSS to VDD + 0.5V, AVSS:-0.5 to +0.5V; (2)Input voltage:-0.5 to VDD + 0.5 V; (3)Output voltage:-0.5 to VDD + 0.5 V; (4)Output low current: At one pin:15 mA, Total of all output pins:100 mA; (5)Output high current: At one pin:-10 mA, Total of all output pins: -100 mA; (6)A/D converter reference input voltage:-0.5 to VDD + 0.3 V; (7)Operating ambient temperature:-40℃ to +85℃; (8)Storage temperature:-65℃ to +150℃; (9)D/A converter reference input voltage: AVREF2:-0.5 to VDD + 0.3 V, AVREF3:-0.5 to VDD + 0.3 V.
Features
UPD784031GC-3B9 features: (1)Pin-compatible with the μPD78234, μPD784026, and μPD784038Y sub-series; (2)Minimum instruction execution time: 125 ns(at 32 MHz); (3)Number of I/O ports: 46; (4)Serial interface: 3 channels; (5)UART/IOE (3-wire serial I/O): 2 channels; (6)CSI (3-wire serial I/O, 2-wire serial I/O): 1 channel; (7)PWM outputs: 2; (8)Timer/counters; (9)16-bit timer/counter × 3 units; (10)16-bit timer × 1 unit; (11)Standby function:HALT/STOP/IDLE mode; (12)Clock frequency division function; (13)Watchdog timer: 1 channel; (14)A/D converter: 8-bit resolution × 8 channels; (15)D/A converter: 8-bit resolution × 2 channels; (16)Power supply voltage: VDD = 2.7 to 5.5 V.
Diagrams

![]() |
![]() UPD70008AG-4 |
![]() Other |
![]() |
![]() Data Sheet |
![]() Negotiable |
|
||||
![]() |
![]() UPD70236AGD-10-5BB |
![]() Other |
![]() |
![]() Data Sheet |
![]() Negotiable |
|
||||
![]() |
![]() UPD7030025AGC-25 |
![]() Other |
![]() |
![]() Data Sheet |
![]() Negotiable |
|
||||
![]() |
![]() UPD703014A |
![]() Other |
![]() |
![]() Data Sheet |
![]() Negotiable |
|
||||
![]() |
![]() UPD703014AY |
![]() Other |
![]() |
![]() Data Sheet |
![]() Negotiable |
|
||||
![]() |
![]() UPD703015A |
![]() Other |
![]() |
![]() Data Sheet |
![]() Negotiable |
|
||||
(Hong Kong)








