Product Summary
The XC3S1200E is a Field-Programmable Gate Array (FPGA) specifically designed to meet the needs of high volume, cost-sensitive consumer electronic applications. The device offers densities ranging from 100,000 to 1.6 million system gates. The XC3S1200E builds on the success of the earlier Spartan-3 family by increasing the amount of logic per I/O, significantly reducing the cost per logic cell. New features improve system performance and reduce the cost of configuration. The XC3S1200E, combined with advanced 90 nm process technology, delivers more functionality and bandwidth per dollar than was previously possible, setting new standards in the programmable logic industry.
Parametrics
XC3S1200E absolute maximum ratings: (1)Internal supply voltage:–0.5V to 1.32V; (2)Auxiliary supply voltage:–0.5V to 3.00V; (3)Output driver supply voltage:–0.5V to 3.75V; (4)Input reference voltage:–0.5V to VCCO+0.5V; (5)Voltage applied to all User I/O pins and Dual-Purpose pins:–0.5V to VCCO+0.5V; (6)Voltage applied to all Dedicated pins:–0.5V to VCCAUX+0.5V; (7)Electrostatic Discharge Voltage:Human body model:–2000V to +2000 V, Charged device model:–500V to +500V, Machine model:–200V to +200V; (8)Junction temperature:- 125℃; (9)Storage temperature:–65℃ to 150℃.
Features
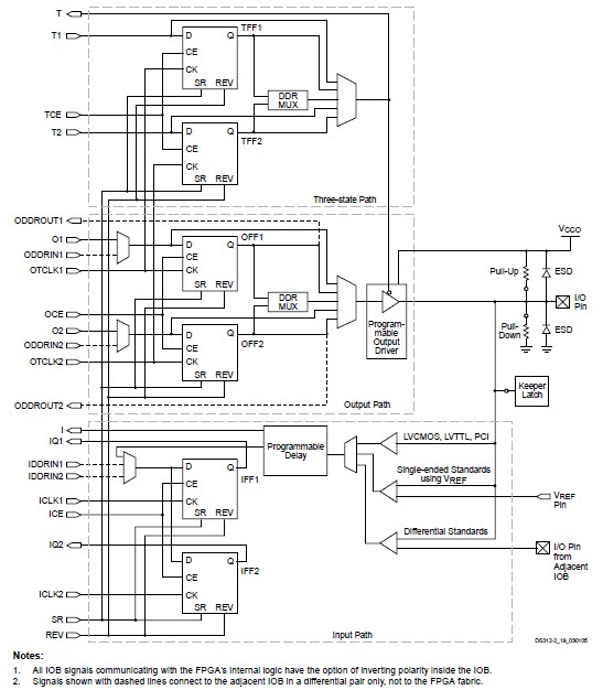
XC3S1200E features: (1)Very low cost, high-performance logic solution for high-volume, consumer-oriented applications; (2)Proven advanced 90-nanometer process technology; (3)Multi-voltage, multi-standard SelectIO interface pins; (4)True LVDS, RSDS, mini-LVDS differential I/O; (5)3.3V, 2.5V, 1.8V, 1.5V, and 1.2V signaling; (6)Enhanced Double Data Rate (DDR) support; (7)Densities up to 33,192 logic cells, including optional shift register or distributed RAM support; (8)Efficient wide multiplexers, wide logic; (9)Fast look-ahead carry logic; (10)Enhanced 18 x 18 multipliers with optional pipeline; (11)IEEE 1149.1/1532 JTAG programming/debug port; (12)Up to 648 Kbits of fast block RAM ; (13)Up to 231 Kbits of efficient distributed RAM; (14)Clock skew elimination (delay locked loop); (15)Frequency synthesis, multiplication, division; (16)High-resolution phase shifting; (17)Wide frequency range (5 MHz to over 300 MHz); (18)Low-cost, space-saving SPI serial Flash PROM; (19)x8 or x8/x16 parallel NOR Flash PROM; (20)Low-cost Xilinx Platform Flash with JTAG; (21)MicroBlaze, PicoBlaze embedded processor cores; (22)Fully compliant 32-/64-bit 33/66 MHz PCI support ; (23)Low-cost QFP and BGA packaging options.
Diagrams

| Image | Part No | Mfg | Description | ![]() |
Pricing (USD) |
Quantity | ||||||
|---|---|---|---|---|---|---|---|---|---|---|---|---|
![]() |
![]() XC3S1200E-4FG320I |
![]() |
![]() IC FPGA SPARTAN 3E 320FBGA |
![]() Data Sheet |
![]()
|
|
||||||
![]() |
![]() XC3S1200E-4FG400I |
![]() |
![]() IC FPGA SPARTAN 3E 400FBGA |
![]() Data Sheet |
![]()
|
|
||||||
![]() |
![]() XC3S1200E-4FGG320C |
![]() |
![]() IC SPARTAN-3E FPGA 1200K 320FBGA |
![]() Data Sheet |
![]()
|
|
||||||
![]() |
![]() XC3S1200E-4FGG320I |
![]() |
![]() IC FPGA SPARTAN-3E 1200K 320FBGA |
![]() Data Sheet |
![]()
|
|
||||||
![]() |
![]() XC3S1200E-4FGG400C |
![]() |
![]() IC SPARTAN-3E FPGA 1200K 400FBGA |
![]() Data Sheet |
![]()
|
|
||||||
![]() |
![]() XC3S1200E-4FGG400I |
![]() |
![]() IC FPGA SPARTAN-3E 1200K 400FBGA |
![]() Data Sheet |
![]()
|
|
||||||
![]() |
![]() XC3S1200E-4FTG256C |
![]() |
![]() IC SPARTAN3E FPGA 1200K 256FTBGA |
![]() Data Sheet |
![]()
|
|
||||||
![]() |
![]() XC3S1200E-4FTG256I |
![]() |
![]() IC FPGA SPARTAN3E 1200K 256FTBGA |
![]() Data Sheet |
![]()
|
|
||||||
(Hong Kong)










