Product Summary
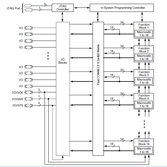
The XC95288-10HQ208I is a 3.3V CPLD targeted for high-performance, low-voltage applications in leading-edge communi- cations and computing systems. It is comprised of 16 54V18 Function Blocks, providing 6,400 usable gates with propagation delays of 6 ns.
Parametrics
XC95288-10HQ208I absolute maximum ratings: (1)VCC Supply voltage relative to GND: –0.5 to 4.0 V; (2)VIN Input voltage relative to GND: –0.5 to 5.5 V; (3)VTS Voltage applied to 3-state output: –0.5 to 5.5 V; (4)TSTG Storage temperature (ambient): –65 to +150 ℃; (5)TJ Junction temperature: +150 ℃.
Features
XC95288-10HQ208I features: (1)6 ns pin-to-pin logic delays; (2)System frequency up to 208 MHz; (3)288 macrocells with 6,400 usable gates; (4)Available in small footprint packages; (5)Optimized for high-performance 3.3V systems; (6)Fast concurrent programming; (7)Slew rate control on individual outputs; (8)Enhanced data security features; (9)Excellent quality and reliability.
Diagrams

![]() |
![]() XC9500 |
![]() Other |
![]() |
![]() Data Sheet |
![]() Negotiable |
|
||||||||||||||||
![]() |
![]() XC9500XV |
![]() Other |
![]() |
![]() Data Sheet |
![]() Negotiable |
|
||||||||||||||||
![]() |
![]() XC9501 |
![]() Other |
![]() |
![]() Data Sheet |
![]() Negotiable |
|
||||||||||||||||
![]() |
![]() XC9502 |
![]() Other |
![]() |
![]() Data Sheet |
![]() Negotiable |
|
||||||||||||||||
![]() |
![]() XC9503 |
![]() Other |
![]() |
![]() Data Sheet |
![]() Negotiable |
|
||||||||||||||||
![]() |
![]() XC9503B093AR-G |
![]() |
![]() IC REG BUCK ADJ 1A DL 10MSOP |
![]() Data Sheet |
![]()
|
|
||||||||||||||||
(Hong Kong)









