Product Summary
The TMS320F2812PGFA is a Digital Signal Processor. It is a highly integrated, high-performance solution for demanding control applications.
Parametrics
TMS320F2812PGFA absolute maximum ratings: (1)Supply voltage range:–0.3 V to 4.6 V; (2)Supply voltage range:–0.5 V to 2.5 V; (3)Input voltage range:–0.3 V to 4.6 V; (4)Output voltage range:–0.3 V to 4.6 V; (5)Input clamp current:±20 mA; (6)Output clamp current:±20 mA; (7)Operating ambient temperature ranges:A version:–40℃ to 85℃, S version:–40℃ to 125℃, Q version:–40℃ to 125℃; (8)Junction temperature range:–40℃ to 150℃; (9)Storage temperature range:–65℃ to 150℃.
Features
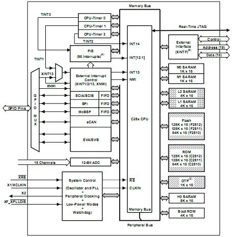
TMS320F2812PGFA features: (1)16 x 16 and 32 x 32 MAC Operations; (2)16 x 16 Dual MAC; (3)Harvard Bus Architecture; (4)Atomic Operations; (5)Fast Interrupt Response and Processing; (6)Unified Memory Programming Model; (7)4M Linear Program/Data Address Reach; (8)Code-Efficient (in C/C++ and Assembly); (9)Over 1M x 16 Total Memory; (10)Programmable Wait States; (11)Programmable Read/Write Strobe Timing; (12)Three Individual Chip Selects; (13)With Software Boot Modes; (14)Standard Math Tables; (15)Dynamic PLL Ratio Changes Supported; (16)On-Chip Oscillator; (17)Watchdog Timer Module; (18)Three External Interrupts; (19)Peripheral Interrupt Expansion (PIE) Block That Supports 45 Peripheral Interrupts; (20)Three 32-Bit CPU-Timers; (21)Serial Peripheral Interface (SPI); (22)Two Serial Communications Interfaces(SCIs), Standard UART; (23)Enhanced Controller Area Network (eCAN); (24)Multichannel Buffered Serial Port (McBSP).
Diagrams

| Image | Part No | Mfg | Description | ![]() |
Pricing (USD) |
Quantity | ||||||||||||
|---|---|---|---|---|---|---|---|---|---|---|---|---|---|---|---|---|---|---|
![]() |
![]() TMS320F2812PGFA |
![]() Texas Instruments |
![]() Digital Signal Processors & Controllers (DSP, DSC) 32-Bit Digital Sig Controller w/Flash |
![]() Data Sheet |
![]()
|
|
||||||||||||
| Image | Part No | Mfg | Description | ![]() |
Pricing (USD) |
Quantity | ||||||||||||
![]() |
![]() TMS3112 |
![]() Other |
![]() |
![]() Data Sheet |
![]() Negotiable |
|
||||||||||||
![]() |
![]() TMS3121 |
![]() Other |
![]() |
![]() Data Sheet |
![]() Negotiable |
|
||||||||||||
![]() |
![]() TMS320 |
![]() Other |
![]() |
![]() Data Sheet |
![]() Negotiable |
|
||||||||||||
![]() |
![]() TMS32010 |
![]() Other |
![]() |
![]() Data Sheet |
![]() Negotiable |
|
||||||||||||
![]() |
![]() TMS320AV7110 |
![]() Other |
![]() |
![]() Data Sheet |
![]() Negotiable |
|
||||||||||||
![]() |
![]() TMS320BC51PQ100 |
![]() Texas Instruments |
![]() Digital Signal Processors & Controllers (DSP, DSC) TMS320C51PQ - 132QFP - 100MHZ/BOOT CODE |
![]() Data Sheet |
![]() Negotiable |
|
||||||||||||
(Hong Kong)










